
123/A, Miranda City Likaoli Prikano, Dope
+0989 7876 9865 9
+(090) 8765 86543 85
Drsti Precast is a leading manufacturer of high-performance precast concrete products, delivering quality, precision, and reliability across infrastructure, industrial, and urban development projects. With advanced production facilities, automated mould systems, and strict quality control, Drsti Precast ensures every product meets superior strength, durability, and dimensional accuracy. Our solutions are designed for faster installation, consistent performance, and long-term value, making us a trusted partner for architects, developers, and contractors nationwide.
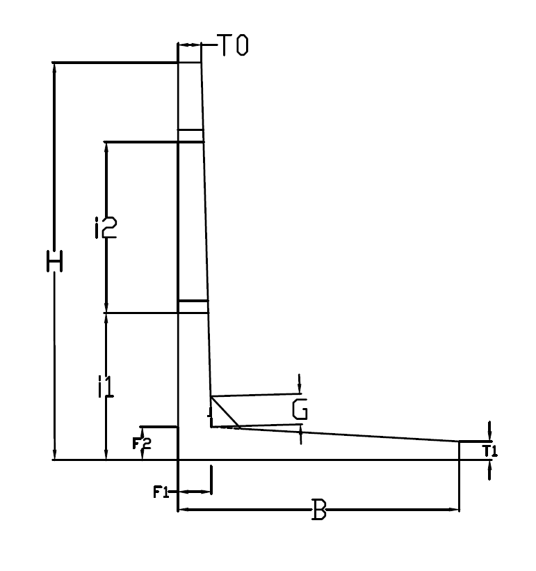
An L-Wall block is a precast RCC retaining structure shaped like the letter “L”, consisting of a vertical stem and a horizontal base slab. The stem retains the backfill soil while the base resists overturning and sliding through its self-weight and soil bearing pressure. Precast L-Walls are modular, factory-made elements that can be quickly installed at site using cranes, providing a faster, cleaner, and more economical alternative to conventional cast-in-situ retaining walls.
Drsti’s L- Shape Wall Blocks are suitable for highway and railway embankments, plot and villa developments, basement retaining walls, industrial and logistics parks, and landscape level differences. They are ideal for builders, developers, contractors, architects, and infrastructure companies seeking quick-to-install, durable, and maintenance-free retaining solutions. Each unit can be customized in height, base width, and finish to suit site-specific load and aesthetic requirements.
Choose Drsti Precast for engineered precision, rapid installation, and unmatched quality in retaining wall systems. Our team provides complete support from design to delivery, ensuring structural safety and project efficiency.
Drawing

The stem of the wall is designed to retain backfill soil and withstand lateral earth pressures.
The base slab provides stability against overturning and sliding, utilizing the wall’s self-weight and soil bearing capacity.
Concrete unit weight: γ c = 24.5 kN/m³
Friction coefficient: μ = 0.6
Earth pressure calculation: Trial wedge method
Embankment slope: Horizontal
Normal load (long-term): Earth pressure + dead weight + surcharge load
| S. No | Product Code | Height H (mm) | Base B (mm) | Length L (mm) | F1 (mm) | F2 (mm) | T0 (mm) | T1 (mm) | Haunch G (mm) | Drain Hole Height i1 (mm) | Drain Hole Height i2 (mm) | Drain Hole Diameter (mm) |
| 1 | LWB400 | 400 | 720 | 2000 | 60 | 60 | 60 | 60 | 90 | 250 | - | 1 nos/75Ø |
| 2 | LWB500 | 500 | 770 | 2000 | 60 | 60 | 60 | 60 | 90 | 250 | - | 1 nos/75Ø |
| 3 | LWB600 | 600 | 830 | 2000 | 60 | 60 | 60 | 60 | 90 | 250 | - | 1 nos/75Ø |
| 4 | LWB700 | 700 | 870 | 2000 | 70 | 70 | 60 | 60 | 90 | 400 | - | 1 nos/75Ø |
| 5 | LWB750 | 750 | 900 | 2000 | 80 | 90 | 60 | 60 | 100 | 500 | - | 1 nos/75Ø |
| 6 | LWB800 | 800 | 930 | 2000 | 80 | 90 | 60 | 60 | 100 | 500 | - | 1 nos/75Ø |
| 7 | LWB900 | 900 | 980 | 2000 | 80 | 90 | 60 | 60 | 100 | 500 | - | 1 nos/75Ø |
| 8 | LWB1000 | 1000 | 1030 | 2000 | 80 | 90 | 60 | 60 | 100 | 500 | - | 1 nos/75Ø |
| 9 | LWB1100 | 1100 | 1070 | 2000 | 100 | 110 | 80 | 80 | 100 | 700 | - | 1 nos/75Ø |
| 10 | LWB1200 | 1200 | 1120 | 2000 | 100 | 110 | 80 | 80 | 100 | 700 | - | 1 nos/75Ø |
| 11 | LWB1250 | 1250 | 1150 | 2000 | 100 | 110 | 80 | 80 | 100 | 700 | - | 1 nos/75Ø |
| 12 | LWB1300 | 1300 | 1170 | 2000 | 100 | 110 | 80 | 80 | 100 | 700 | - | 1 nos/75Ø |
| 13 | LWB1400 | 1400 | 1220 | 2000 | 120 | 130 | 80 | 80 | 120 | 700 | - | 1 nos/75Ø |
| 14 | LWB1500 | 1500 | 1300 | 2000 | 120 | 130 | 80 | 80 | 120 | 700 | - | 1 nos/75Ø |
Comprehensive product specifications